
వివరణాత్మక ఉత్పత్తి వివరణ
| ప్రయోజనం: | అతి వేగం | లేబులింగ్ వేగం: | 60-200 పిసిలు / నిమి |
|---|---|---|---|
| ఫంక్షన్: | అహెసివ్ స్టిక్కర్ లేబులింగ్ | మెటీరియల్: | స్టెయిన్లెస్ స్టీల్ |
| బాటిల్ రకం: | ఆటోమేటిక్ రౌండ్ బాటిల్ లేబులర్ జార్ | అప్లికేషన్: | అన్ని రకాల రౌండ్ కంటైనర్ కోసం |
| పిఎల్సి బ్రాండ్: | మిత్సుబిషి (జపాన్ | సర్వో లేబులింగ్ మోటార్: | డెల్టా ai తైవాన్ |
రెడ్ వైన్ లేబులింగ్ మెషిన్ గ్లాస్ వైన్ బాటిల్ లేబులింగ్ మెషిన్, పిఎల్సి కంట్రోల్ సిస్టమ్ మిత్సుబిషి బ్రాండ్ లేబులింగ్ మెషిన్
లక్షణాలు:
1. ఆపరేషన్: పిఎల్సి నియంత్రణ వ్యవస్థ లేబులింగ్ యంత్రాన్ని ఆపరేట్ చేస్తుంది
2. మెటీరియల్: లేబులింగ్ మెషీన్ యొక్క ప్రధాన శరీరం SUS304 స్టెయిన్లెస్ స్టీల్తో తయారు చేయబడింది
3. కాన్ఫిగరేషన్: మా లేబులింగ్ యంత్రాలు ప్రసిద్ధ జపనీస్, జర్మన్, అమెరికన్, కొరియన్ లేదా తైవాన్ బ్రాండ్ భాగాలను అవలంబిస్తాయి
4. వశ్యత: క్లయింట్ ప్రింటర్ మరియు కోడ్ మెషీన్ను జోడించడానికి ఎంచుకోవచ్చు; కన్వేయర్తో కనెక్ట్ కావడానికి ఎంచుకోవచ్చు లేదా.
సాంకేతిక పారామితులు:
| పేరు | హై స్పీడ్ స్లీవ్ కోసం ఆటోమేటిక్ రౌండ్ వైన్ బాటిల్ కుదించండి రౌండ్ బాటిల్ లేబులింగ్ మెషిన్ |
| లేబులింగ్ వేగం | 60-350 పిసిలు / నిమి |
| వస్తువు యొక్క ఎత్తు | 30-350 మిమీ |
| వస్తువు యొక్క మందం | 20-120 మి.మీ. |
| లేబుల్ యొక్క ఎత్తు | 5-180 మిమీ |
| లేబుల్ యొక్క పొడవు | 25-300 మి.మీ. |
| వ్యాసం లోపల లేబుల్ రోలర్ | 76 మి.మీ. |
| లేబుల్ రోలర్ వెలుపల వ్యాసం | 420 మి.మీ. |
| లేబులింగ్ యొక్క ఖచ్చితత్వం | ± 1 మిమీ |
| విద్యుత్ సరఫరా | 220V 50 / 60HZ 3.5KW |
| ప్రింటర్ యొక్క గ్యాస్ వినియోగం | 5Kg / m2 (కోడింగ్ యంత్రాన్ని జోడిస్తే) |
| లేబులింగ్ యంత్రం యొక్క పరిమాణం | 2800 (ఎల్) × 1650 (డబ్ల్యూ) × 1500 (హెచ్) మిమీ |
| లేబులింగ్ యంత్రం యొక్క బరువు | 180 కిలోలు |
ఆకృతీకరణ
| లేదు. | భాగం | బ్రాండ్ | పరిమాణం |
| 1 | పిఎల్సి | మిత్సుబిషి (జపాన్) | 1 |
| 2 | ప్రధాన కన్వర్టర్ | డాన్ఫోస్ (డెన్మార్క్) | 1 |
| 4 | HMI | వీన్వ్యూ (తైవాన్) | 1 |
| 5 | సర్వో లేబులింగ్ మోటర్ | డెల్టా (తైవాన్) | 1 |
| 6 | సర్వో లేబులింగ్ మోటార్ డ్రైవర్ | డెల్టా (తైవాన్) | 1 |
| 7 | కన్వేయర్ మోటర్ | HY (తైవాన్) | 1 |
| 8 | కన్వేయర్ మోటార్ గేర్బాక్స్ | HY (తైవాన్) | 1 |
| 9 | బాటిల్ మోటారును విభజించడం | GPG (తైవాన్) | 1 |
| 10 | బాటిల్ మోటార్ గేర్బాక్స్ను విభజించడం | GPG (తైవాన్) | 1 |
| 11 | మోటారు స్పీడ్ గవర్నర్ను వేరుచేసే బాటిల్ | GPG (తైవాన్) | 1 |
| 12 | స్పోక్ మోటర్ | GPG (తైవాన్) | 1 |
| 13 | మోటారు గేర్బాక్స్ మాట్లాడండి | GPG (తైవాన్) | 1 |
| 14 | వస్తువు మేజిక్ కన్ను కనుగొంటుంది | ఒమ్రాన్ (జపాన్) | 1 |
| 15 | ఆప్టికల్ ఫైబర్ | ఒమ్రాన్ (జపాన్) | 1 |
యంత్ర వివరాలు:

32 ప్రధాన లేబులింగ్ యంత్ర భాగాలు

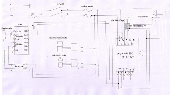
సర్క్యూట్ రేఖాచిత్రం

ఎఫ్ ఎ క్యూ:
1 లేబుల్ బుడగలు పొందుతుంది
కారణాలు:
Board పై తొక్క ఆఫ్ మంచిది కాదు / ఫ్లాట్ కాదు;
ప్లోవ్ బోర్డు మంచిది కాదు / ఫ్లాట్ కాదు;
③ లేబులింగ్ అవుట్పుట్ చాలా వేగంగా ఉంటుంది లేదా అసెంబ్లీ లైన్ వేగం చాలా తక్కువగా ఉంటుంది;
లేబుల్ చాలా విప్పుతుంది
పరిష్కారాలు:
Board ఫ్లాట్ పీల్ ఆఫ్ బోర్డుని మార్చండి;
A ఫ్లాట్ ప్లోవ్ బోర్డుని మార్చండి;
The లేబులింగ్ అవుట్పుట్ వేగాన్ని తగ్గించండి లేదా అసెంబ్లీ లైన్ వేగాన్ని పెంచండి;
The లేబుల్ బెల్ట్ను సరిగ్గా ప్రభావితం చేయండి.
ట్యాగ్: పారిశ్రామిక లేబులింగ్ యంత్రం, గ్లాస్ బాటిల్ లేబులింగ్ యంత్రం









